-
Длительный срок службы
-
Модульная конструкция
-
Расширенный диапазон температур
Наличие: доступен для заказа
Гарантия: 36 месяцев
При размещении заказа от 30 комплектов расчет скидки от базовых цен оговаривается дополнительно.
Предоставление тестовых образцов для проведения опытных испытаний.
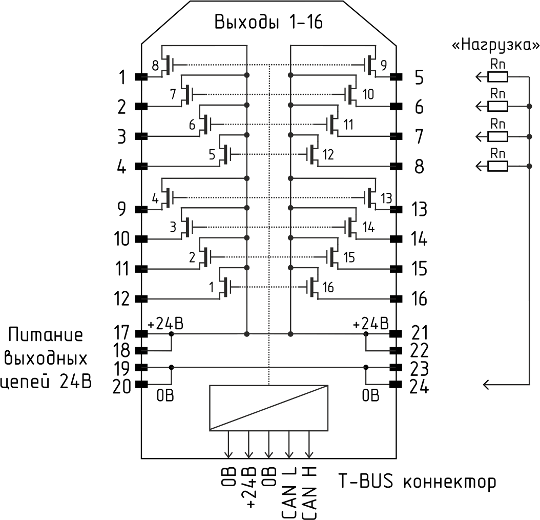
Модуль дискретного вывода «K15.DO16» применяется совместно с процессорным модулем для увеличения числа каналов дискретного вывода. Дискретные выходы выполнены в виде транзисторных ключей.
Гарантия: 36 месяцев
При размещении заказа от 30 комплектов расчет скидки от базовых цен оговаривается дополнительно.
Предоставление тестовых образцов для проведения опытных испытаний.
Модуль дискретного вывода «K15.DO16» применяется совместно с процессорным модулем для увеличения числа каналов дискретного вывода. Дискретные выходы выполнены в виде транзисторных ключей.