-
Наличие:
доступен для заказа
-
Гарантия:
36 месяцев
-
При размещении заказа от 30 комплектов расчет скидки от базовых цен оговаривается дополнительно.
-
Длительный срок службы
-
Модульная конструкция
-
Расширенный диапазон температур
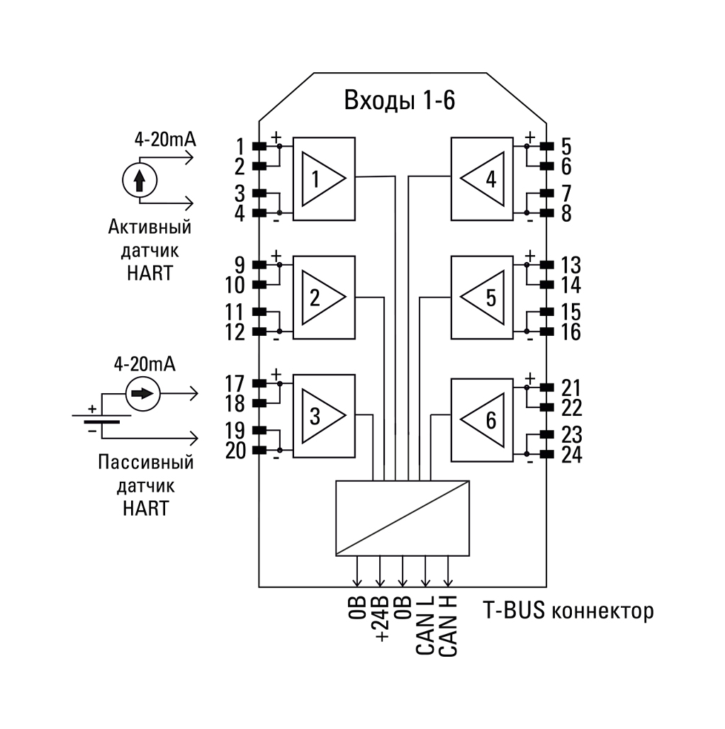
Модуль аналогового ввода «K15.AI6.HART» применяется совместно с процессорным модулем для увеличения числа каналов аналогового ввода.