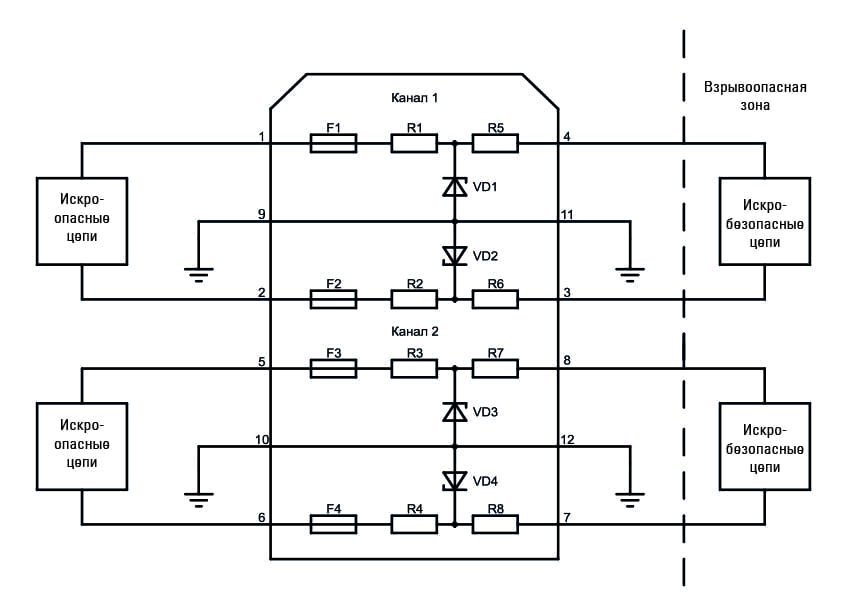
Барьер предназначен для обеспечения искробезопасности электрических
цепей устройств, устанавливаемых во взрывоопасных зонах помещений и наружных
установок. Барьер является двухканальным изделием и имеет маркировку
взрывозащиты [Ех ib Gb] IIB/IIC.
Параметры искробезопасных цепей:
| Значение параметра |
для группы IIB |
для группы IIC |
| Маркировка взрывозащиты |
[Ех iа Ga] IIB/IIC |
[Ех iа Ga] IIB/IIC |
| Максимальное входное напряжение Um, В |
250 |
250 |
| Максимальное выходное напряжение UO, В |
27,2 |
27,2 |
| Максимальный выходной ток IO, мА |
90 |
90 |
| Максимальная выходная мощность, POВт |
2,34 |
2,34 |
| Максимальная внешняя емкость, COмкФ |
0,2 |
0,09 |
| Максимальная внешняя индуктивность, LOмГн |
2 |
4 |
| Примечание |
максимальное входное напряжение Umэто максимальное напряжение, которое может быть приложено ко входу барьера без нарушения взрывозащиты. |
| Основные технические характеристики:
|
| Максимальное рабочее напряжение на входе |
(между клеммами 1-2, 1-5 или 2-5), В |
22 |
| Ток утечки при максимальном рабочем напряжении на входе, не более, мкА |
|
100 |
| Номинальный ток предохранителя, мА |
|
80 |
| Сопротивление цепи между входом и выходом |
(между клеммами 1-4, 2-3, 5-8 или 6-7), не более, Ом |
185 |
| Суммарное сопротивление канала барьера, |
не более, Ом |
370 |
| Примечание |
превышение максимального рабочего напряжения на входе барьера может привести к выходу барьера из строя. |
| Механические характеристики:
|
| Размеры (Д х Ш х В) |
108х12,6х114 мм |
| Вес, грамм |
120 |
| Степень защиты корпуса |
IP20 |
| Крепление |
DIN-рейка 35 мм |
| Условия эксплуатации:
|
| Температура эксплуатации |
от -40 до +60 °С |
| Относительная влажность |
От 10 до 90 %, без конденсации |